Electiveеџианг Сехнадер Електрик Ко, ООД.
Electiveеџианг Сехнадер Електрик Ко, ООД.
Производи
БХ-0.66-20 Тековни трансформатори
  • БХ-0.66-20 Тековни трансформаториБХ-0.66-20 Тековни трансформатори

БХ-0.66-20 Тековни трансформатори

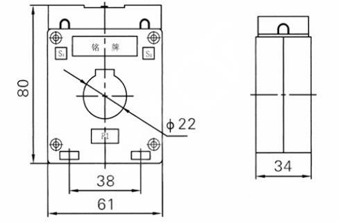
Тековните трансформатори на BH-0.66-20 се висококвалитетни струјни трансформатори дизајнирани за точно мерење и следење на електричните струи во различни индустриски апликации. Со номинална струја од 0,66a и фреквенција од 50/60Hz, овие трансформатори обезбедуваат сигурни перформанси и прецизни читања.

Тековните трансформатори BH-0.66-20 имаат компактен и стабилен дизајн, што ги прави погодни за инсталација во тесни простори и груби околини. Тие се опремени со висококвалитетни материјали и компоненти за да обезбедат долгорочна стабилност и издржливост.


Овие тековни трансформатори се лесни за инсталирање и одржување, што ги прави идеални за широк спектар на апликации, вклучувајќи дистрибуција на енергија, управување со енергија и индустриска автоматизација. Тие се во согласност со меѓународните стандарди за безбедност и перформанси, обезбедувајќи им на корисниците мир на умот и доверба во нивното работење.


Севкупно, тековните трансформатори BH-0.66-20 се совршен избор за точно мерење и следење на струјата во индустриските поставки, нудејќи сигурност, прецизност и издржливост за разни електрични системи.


Главни технички параметри

Оценето основно
Тековна (а)
Точност
часови
комбинација
Оценето секундарно излез (VA) Е термичка струја (ка) Оценета динамична струја (KA)
0,2 (и) 0.2 0.5 10p10
5-40 0,2/10p10
0,5/10p10
/ 10 10 15 90lin 220lin
5-40 100lin 250lin
5-40 20 50
5-40
5-40 36 90
10
5-40 45 100
5-40 56 100
5-40
5-40 80 110
5-40 100 110



Жешки тагови: БХ-0.66-20 Тековни трансформатори
Испрати барање
Контакт Инфо
Ако имате истрага за понуда или соработка, слободно испратете ни е -пошта на River@dahuelec.com или користете го следниот формулар за испитување. Нашиот претставник за продажба ќе ве контактира во рок од 24 часа. Ви благодариме за интересот за нашите производи.
X
We use cookies to offer you a better browsing experience, analyze site traffic and personalize content. By using this site, you agree to our use of cookies. Privacy Policy
Reject Accept