Electiveеџианг Сехнадер Електрик Ко, ООД.
Electiveеџианг Сехнадер Електрик Ко, ООД.
Производи
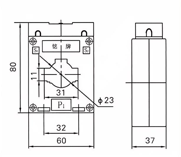
БХ-0,66-30 Тековни трансформатори
  • БХ-0,66-30 Тековни трансформаториБХ-0,66-30 Тековни трансформатори

БХ-0,66-30 Тековни трансформатори

Тековните трансформатори BH-0.66-30 (CTS) се прецизни инженерски инструменти дизајнирани за точно мерење и следење на струјата во електричните системи со низок напон. Со номинален напон на изолација од 0,66kV, овие трансформатори се идеални за управување со енергијата, заштитно релеирање и апликации за мерење.

Карактеристики:

Висока точност: Ги исполнува IEC 61869 стандардите, обезбедувајќи сигурни перформанси за целите за наплата и мониторинг.

Компактен дизајн: Конструкција за заштеда на простор за лесна инсталација на тесни простори.

Широк опсег на струја: Примарна струја до 30А, погодна за разновидни индустриски и комерцијални оптоварувања.

Трајни материјали: Робусното домување обезбедува отпорност на факторите на животната средина и механичкиот стрес.

Безбедносна усогласеност: BH-0.66-30 Тековните трансформатори во согласност со меѓународните сертификати за безбедност и перформанси.


Апликации:

Енергетски мерење во системите за дистрибуција на електрична енергија.

Заштита на прекумерна струја во прекинувачи и релеи.

Интеграција со паметни мрежи и решенија за набудување врз основа на IoT.

Технички спецификации:

Номинален напон: 0,66kV

Фреквенција: 50/60Hz

Класа на точност: 0,5, 1,0 (прилагодлив)

Товар: Според барањата на клиентите


Главни технички параметри

Оценето основно
Тековна (а)
Точност
часови
комбинација
Оценето секундарно излез (VA) Е термичка струја (ка) Оценета динамична струја (KA)
0,2 (и) 0.2 0.5 10p10
5-40 0,2/10p10
0,5/10p10
/ 10 10 15 90lin 220lin
5-40 100lin 250lin
5-40 20 50
5-40
5-40 36 90
10
5-40 45 100
5-40 56 100
5-40
5-40 80 110
5-40 100 110


Жешки тагови: БХ-0,66-30 Тековни трансформатори
Испрати барање
Контакт Инфо
Ако имате истрага за понуда или соработка, слободно испратете ни е -пошта на River@dahuelec.com или користете го следниот формулар за испитување. Нашиот претставник за продажба ќе ве контактира во рок од 24 часа. Ви благодариме за интересот за нашите производи.
X
Ние користиме колачиња за да ви понудиме подобро искуство во прелистувањето, да го анализираме сообраќајот на страницата и да ја персонализираме содржината. Со користење на оваа страница, вие се согласувате со нашата употреба на колачиња. Политика за приватност
Отфрли Прифати