Electiveеџианг Сехнадер Електрик Ко, ООД.
Electiveеџианг Сехнадер Електрик Ко, ООД.
Производи
Тековни трансформатори на БХ-0,66-50
  • Тековни трансформатори на БХ-0,66-50Тековни трансформатори на БХ-0,66-50

Тековни трансформатори на БХ-0,66-50

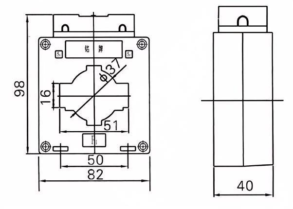
Тековните трансформатори BH-0.66-50 се прецизни инструменти дизајнирани за точно мерење и следење на електричните струи во различни индустриски апликации. Со номинална струја од 50A и сооднос на трансформација од 0,66, овие трансформатори обезбедуваат сигурни и прецизни способности за мерење на струјата.

Внатрешен епоксиден смола Трансформатор на струја на струја на струја или пластична обвивка во затворен простор

• Едно фаза, две фази или три фази.

• Оценет напон: 0,66kV

• Класа за мерење за КТ: 0,2С, 0,2,0,5, 0,5С

• Стандард: IEC61869-2

• Име на типот: BH-0.66-50

Овој трансформатор на струја на сув тип се користи во 0,66kV, 0,75kV. Електричен систем, за мерење и заштита.

Се користи во прекинувачот на кабини или во станиците за преклопување во залив.

Тековните трансформатори на BH-0.66-50 се направени од епоксидна смола во затворен простор, аморфно легура за мерење и висококвалитетно во јадрото за заштита, примарна и секундарна употреба чист електролитски бакар.


Апликации:

Системи за дистрибуција на електрична енергија

Системи за управување со енергија

Следење на индустриска опрема

Системи за обновлива енергија


1. Премиум материјали

Јадра со висок степен: прецизен ламиниран силиконски челик или нанокристални јадра за минимални загуби и висока линеарност.  

Робусна изолација: Дизајните на епоксидна смола обезбедуваат долгорочна стабилност во груби околини.  


2. Супериорни перформанси

Точност: Класа 0,2/0,5 за мерење, 5p/10p за заштита, во согласност со IEC 61869, 60044, IEEE и ANSI стандарди.  

Широк опсег: Поддржува 0,6KV-36KV системи, со сопствени стапки/фреквенција (50/60Hz).  

Низок термички пораст: Оптимизиран дизајн го намалува прегревањето, проширувањето на животниот век.  

Имунитет на ЕМС: штитови против електромагнетно мешање за сигурни сигнали.  


3. Услуга и поддршка

Прилагодени решенија: прилагодени стапки, големини или конектори (на пр., DIN Rail, IEC терминали).  

Глобални сертификати: IEC, CE, ISO и локални мрежни одобренија.  

Доживотна техничка помош: 24/7 Поддршка, упатство за инсталација и снабдување со резервни делови.  

Брза испорака: Стандардни производи за 2-4 недели; Забрзани опции за итни потреби.  


Главни технички параметри

Оценето основно
Тековна (а)
Точност
часови
комбинација
Оценето секундарно излез (VA) 1S термичка струја (KA) Оценета динамична струја (KA)
0,2 (и) 0.2 0.5 10p10
5-40 0,2/10p10
0,5/10p10
/ 10 10 15 90lin 220lin
5-40 100lin 250lin
5-40 20 50
5-40
5-40 36 90
10
5-40 45 100
5-40 56 100
5-40
5-40 80 110
5-40 100 110




Жешки тагови: Тековни трансформатори на БХ-0,66-50
Испрати барање
Контакт Инфо
Ако имате истрага за понуда или соработка, слободно испратете ни е -пошта на River@dahuelec.com или користете го следниот формулар за испитување. Нашиот претставник за продажба ќе ве контактира во рок од 24 часа. Ви благодариме за интересот за нашите производи.
X
We use cookies to offer you a better browsing experience, analyze site traffic and personalize content. By using this site, you agree to our use of cookies. Privacy Policy
Reject Accept