Electiveеџианг Сехнадер Електрик Ко, ООД.
Electiveеџианг Сехнадер Електрик Ко, ООД.
Производи
Тековни трансформатори на БХ-0,66-60
  • Тековни трансформатори на БХ-0,66-60Тековни трансформатори на БХ-0,66-60

Тековни трансформатори на БХ-0,66-60

Тековните трансформатори на BH -0.66-60 усвојуваат компјутерски пламен - ретардантен материјал, а материјалот за магнетско - спроведување е annealed тороидно јадро за да се обезбеди точноста на производот на ниво 0,2 и 0,5. За ултра - нивоа на висока точност, како што се 0,2 и 0,5, само магнети што се суперпроводници можат да ги исполнат таквите барања за точност.

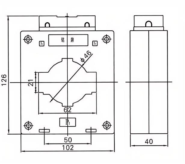
Тековните трансформатори на BH-0.66-60 се применуваат за електроенергетски системи со номинална фреквенција од 50Hz и номинален напон од 0,66KV, 0,69KV, 0,5kV и подолу за мерење на електрична енергија, мерење на струјата и заштита на реле.


Овој тековен трансформатор на Даху е наменет за затворено употреба, инсталиран во кабинети за дистрибуција и кутии. Се одликува со нов дизајн на магнетно коло, напредни методи за компензација, исклучителни техники за обработка, безбедни и сигурни перформанси и мал и убав изглед.


Надворешната обвивка е изработена од пламен со голема јачина - ретардантен компјутер со целосно затворена структура и рејтинг на пламен - ретардант на V1. Внатрешното јадро е изработено од високо -квалитетно жито - ориентирани со силиконски челични листови. Дијаметарот на жицата е строго избран според густината на економската струја за да се обезбеди помал пораст на температурата. Со напредна и сигурна опрема за тестирање, обезбедува усогласеност со стандардите за квалитет.


Има типови на квадратни и тркалезни дупки, погодни за единечна или повеќекратна пенетрација на кабел за корен или пенетрација на единечна коренска лента. Има целосна серија на производи, широк спектар на спецификации и широк опсег на апликации.


Апликации

Мониторинг на енергија и мерење

Заштита на кола и координација на релето

Индустриска автоматизација и паметни мрежни системи

Технички спецификации

Номинален напон: 0,66kV

Фреквенција: 50/60Hz

Класа на точност: 0,5, 1,0 (прилагодлив)

Ниво на изолација: 3kV/мин


Главни технички параметри

Оценето основно
Тековна (а)
Точност
часови
комбинација
Оценето секундарно излез (VA) 1S термичка струја (KA) Оценета динамична струја (KA)
0,2 (и) 0.2 0.5 10p10
5-40 0,2/10p10
0,5/10p10
/ 10 10 15 90lin 220lin
5-40 100lin 250lin
5-40 20 50
5-40
5-40 36 90
10
5-40 45 100
5-40 56 100
5-40
5-40 80 110
5-40 100 110


Жешки тагови: Тековни трансформатори на БХ-0,66-60
Испрати барање
Контакт Инфо
Ако имате истрага за понуда или соработка, слободно испратете ни е -пошта на River@dahuelec.com или користете го следниот формулар за испитување. Нашиот претставник за продажба ќе ве контактира во рок од 24 часа. Ви благодариме за интересот за нашите производи.
X
We use cookies to offer you a better browsing experience, analyze site traffic and personalize content. By using this site, you agree to our use of cookies. Privacy Policy
Reject Accept