Класа со висока точност 0,5 - обезбедува прецизно мерење на струјата за мерење и следење на апликациите.
Широк мерен опсег - поддржува повеќекратни стапки на струја за да се сместат различни услови на оптоварување.
Компактен и лесен дизајн - лесен за инсталирање на тесни простори без да се загрозат перформансите.
Одлична термичка стабилност - обезбедува стабилна работа дури и под флуктуирачки температури.
Силна изолација и безбедност - е во согласност со стандардите за безбедност во индустријата, нудејќи сигурна заштита од електрични грешки.
Разновидни апликации - идеални за употреба во панели за дистрибуција на електрична енергија, индустриска автоматизација и системи за обновлива енергија.
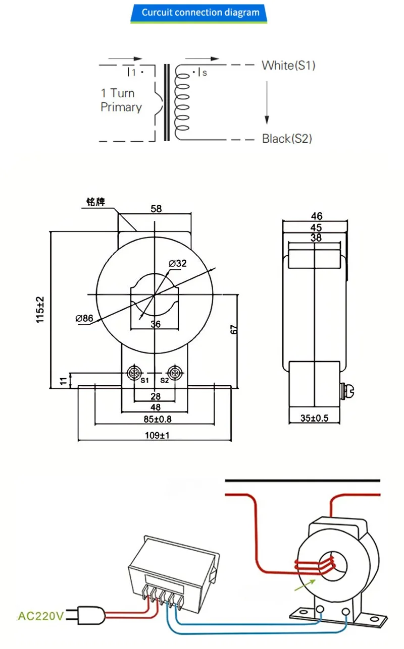
Оценета примарна струја: прилагодлива (на пр., 5А ~ 2000а)
Оценета секундарна струја: 5А или 1А (стандард)
Класа на точност: 0,5
Фреквенција: 50Hz/60Hz
Ниво на изолација: до 3kV
Оперативна температура: -25 ° C до +70 ° C
Мерење на електрична енергија и мониторинг на енергија
Заштитни релеи и прекинувачи на кола
Индустриски и комерцијални електрични системи
Инсталации за соларна и ветерна моќ

Адреса
Индустриска зона Xiangyang, Yueqing, Zhejiang, China
тел
Е-пошта