Electiveеџианг Сехнадер Електрик Ко, ООД.
Electiveеџианг Сехнадер Електрик Ко, ООД.
Производи
LMZJ1-0.5-50 Тековни трансформатори
  • LMZJ1-0.5-50 Тековни трансформаториLMZJ1-0.5-50 Тековни трансформатори

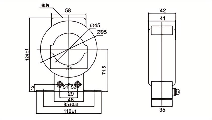
LMZJ1-0.5-50 Тековни трансформатори

Тековните трансформатори на LMZJ1-0.5-50 се дизајнирани за точно мерење и заштита во електричните системи. Со номинална струја од 0,5-50А, овие трансформатори обезбедуваат сигурни перформанси во широк спектар на апликации.

Серијата LMZJ1-0.5-50 се карактеризира со голема точност, грешка во аголот на ниска фаза и одлична линеарност, обезбедувајќи прецизно мерење на тековните нивоа. Овие тековни трансформатори се компактни по големина, што ги прави лесни за инсталирање и погодни за употреба во разни индустриски средини. Со стабилни градежни и висококвалитетни материјали, тековните трансформатори на LMZJ1-0.5-50 нудат долгорочна стабилност и издржливост. Доверба LMZJ1-0.5-50 Тековни трансформатори за точно мерење на струјата и сигурна заштита во вашите електрични системи.


Спецификација

Номинален напон 500V
Номинална фреквенција 50Hz
Оценета примарна струја 10а, 12,5а, 15а, 20а, 25а .., 6000а
Оценета секундарна струја 5а; 1а
Секундарна моќност на оптоварување
фактор
0,8 (одложување)
Номинален излез 2.5Va, 5VA, 10VA, 20VA
Точност 0,2; 0,2С; 0,5; 0,5
Отпор на изолација отпорност на изолација на примарно ликвидација на секундарно ликвидација
и на Земјата ≥ 20mΩ
Фреквенција на моќност
издржи напон
Издржи валидна вредност на примарното ликвидација на секундарно ликвидација
и на Земјата ≥ 3kV



Жешки тагови: LMZJ1-0.5-50 Тековни трансформатори
Испрати барање
Контакт Инфо
Ако имате истрага за понуда или соработка, слободно испратете ни е -пошта на River@dahuelec.com или користете го следниот формулар за испитување. Нашиот претставник за продажба ќе ве контактира во рок од 24 часа. Ви благодариме за интересот за нашите производи.
X
We use cookies to offer you a better browsing experience, analyze site traffic and personalize content. By using this site, you agree to our use of cookies. Privacy Policy
Reject Accept